г. Челябинск, пр. Ленина, д. 2, оф. 213
sds@dz-98pro.ru
Войти
Логин
Пароль
Запомнить меня
Забыли пароль?
Зарегистрироваться
После регистрации на сайте вам будет доступно отслеживание состояния заказов, личный кабинет и другие новые возможности
Запчасти к автогрейдеру ДЗ-98
Скачать прайс
+7 (351) 775-55-51
+7 (902) 609-06-27
Заказать звонок
Запчасти ДЗ-98
КПП
Редуктор раздаточный
Редуктор промежуточный
Муфта сцепления
Мост передний
Мост задний
Подвеска задних мостов
Двигатель, разогрев, охлаждение
Подвеска тяговой рамы
Гидравлика
Кабина
Рабочее оборудование
Карданная передача
Ремкомплекты ДЗ-98
Документация к автогрейдеру ДЗ-98
Каталог ДЗ-98
Автогрейдер ДЗ-98
Системы двигателя автогрейдера ДЗ-98
Трансмиссия автогрейдера
Ходовая часть
Рабочее оборудование
Рулевая колонка
Кабина ДЗ-98
Управление автогрейдером
Облицовка
Электрооборудование
Пневматическая система
Гидросистема автогрейдера
Инструмент и принадлежности
Эксплуатация
Описание и работа автогрейдера
Технические характеристики
Устройство и работа автогрейдера
Описание и работа составных частей автогрейдера
Двигатель ДЗ-98
Трансмиссия
Ходовая часть
Пневмосистема автогрейдера
Гидросистема автогрейдера
Рулевое управление
Электрооборудование
Рабочее оборудование
Кабина автогрейдера
Меры безопасности при эксплуатации автогрейдера
Указания по монтажу и обкатке автогрейдера
Эксплуатационные ограничения
Подготовка автогрейдера к использованию
Использование автогрейдера по назначению
Техническое обслуживание ДЗ-98
Перечень работ по техническому обслуживанию
Содержание операций технического обслуживания
Текущий ремонт
Особенности ремонта некоторых агрегатов
Частичная разборка автогрейдера
Хранение и консервация
Транспортирование
Технические признаки автогрейдера
Дополнительно
Продажа
Ремонт
Фотогалерея
Контакты
...
Запчасти ДЗ-98
КПП
Редуктор раздаточный
Редуктор промежуточный
Муфта сцепления
Мост передний
Мост задний
Подвеска задних мостов
Двигатель, разогрев, охлаждение
Подвеска тяговой рамы
Гидравлика
Кабина
Рабочее оборудование
Карданная передача
Ремкомплекты ДЗ-98
Документация к автогрейдеру ДЗ-98
Каталог ДЗ-98
Автогрейдер ДЗ-98
Системы двигателя автогрейдера ДЗ-98
Трансмиссия автогрейдера
Ходовая часть
Рабочее оборудование
Рулевая колонка
Кабина ДЗ-98
Управление автогрейдером
Облицовка
Электрооборудование
Пневматическая система
Гидросистема автогрейдера
Инструмент и принадлежности
Эксплуатация
Описание и работа автогрейдера
Технические характеристики
Устройство и работа автогрейдера
Управление автогрейдером
Описание и работа составных частей автогрейдера
Двигатель ДЗ-98
Система охлаждения и разогрева ДЗ-98
Система смазки
Трансмиссия
Сцепление
КПП
Ходовая часть
Пневмосистема автогрейдера
Пневмооборудование
Гидросистема автогрейдера
Рулевое управление
Электрооборудование
Рабочее оборудование
Оборудование с полноповоротным отвалом
Оборудование с НЕполноповоротным отвалом
Дополнительное рабочее оборудование
Кабина автогрейдера
Меры безопасности при эксплуатации автогрейдера
Указания по монтажу и обкатке автогрейдера
Эксплуатационные ограничения
Подготовка автогрейдера к использованию
Использование автогрейдера по назначению
Техническое обслуживание ДЗ-98
Перечень работ по техническому обслуживанию
Содержание операций технического обслуживания
Текущий ремонт
Особенности ремонта некоторых агрегатов
Частичная разборка автогрейдера
Хранение и консервация
Транспортирование
Технические признаки автогрейдера
Дополнительно
Продажа
Ремонт
Фотогалерея
Контакты
Запчасти ДЗ-98
Назад
Запчасти ДЗ-98
КПП
Редуктор раздаточный
Редуктор промежуточный
Муфта сцепления
Мост передний
Мост задний
Подвеска задних мостов
Двигатель, разогрев, охлаждение
Подвеска тяговой рамы
Гидравлика
Кабина
Рабочее оборудование
Карданная передача
Ремкомплекты ДЗ-98
Документация к автогрейдеру ДЗ-98
Каталог ДЗ-98
Назад
Каталог ДЗ-98
Автогрейдер ДЗ-98
Системы двигателя автогрейдера ДЗ-98
Трансмиссия автогрейдера
Ходовая часть
Рабочее оборудование
Рулевая колонка
Кабина ДЗ-98
Управление автогрейдером
Облицовка
Электрооборудование
Пневматическая система
Гидросистема автогрейдера
Инструмент и принадлежности
Эксплуатация
Назад
Эксплуатация
Описание и работа автогрейдера
Назад
Описание и работа автогрейдера
Технические характеристики
Устройство и работа автогрейдера
Назад
Устройство и работа автогрейдера
Управление автогрейдером
Описание и работа составных частей автогрейдера
Назад
Описание и работа составных частей автогрейдера
Двигатель ДЗ-98
Назад
Двигатель ДЗ-98
Система охлаждения и разогрева ДЗ-98
Система смазки
Трансмиссия
Назад
Трансмиссия
Сцепление
КПП
Ходовая часть
Пневмосистема автогрейдера
Назад
Пневмосистема автогрейдера
Пневмооборудование
Гидросистема автогрейдера
Рулевое управление
Электрооборудование
Рабочее оборудование
Назад
Рабочее оборудование
Оборудование с полноповоротным отвалом
Оборудование с НЕполноповоротным отвалом
Дополнительное рабочее оборудование
Кабина автогрейдера
Меры безопасности при эксплуатации автогрейдера
Указания по монтажу и обкатке автогрейдера
Эксплуатационные ограничения
Подготовка автогрейдера к использованию
Использование автогрейдера по назначению
Техническое обслуживание ДЗ-98
Назад
Техническое обслуживание ДЗ-98
Перечень работ по техническому обслуживанию
Содержание операций технического обслуживания
Текущий ремонт
Назад
Текущий ремонт
Особенности ремонта некоторых агрегатов
Частичная разборка автогрейдера
Хранение и консервация
Транспортирование
Технические признаки автогрейдера
Дополнительно
Продажа
Ремонт
Фотогалерея
Контакты
Главная
Каталог автогрейдера ДЗ-98
Управление автогрейдером
Управление автогрейдером
Запчасти автогрейдера
ДЗ-98
КПП
Редуктор раздаточный
Редуктор промежуточный
Муфта сцепления
Мост передний
Мост задний
Подвеска задних мостов
Двигатель, разогрев, охлаждение
Подвеска тяговой рамы
Гидравлика
Кабина
Рабочее оборудование
Карданная передача
Ремкомплекты ДЗ-98
Документация к автогрейдеру ДЗ-98
По популярности
По названию
По цене
Механизм управления муфтой сцепления ДЗ-98
Тяги механизма управления сцеплением ДЗ-98
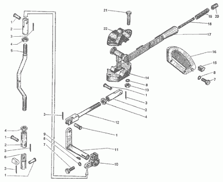
Управление коробкой передач ДЗ-98
Управление колесными тормозами автогрейдера
Управление стояночным тормозом ДЗ-98
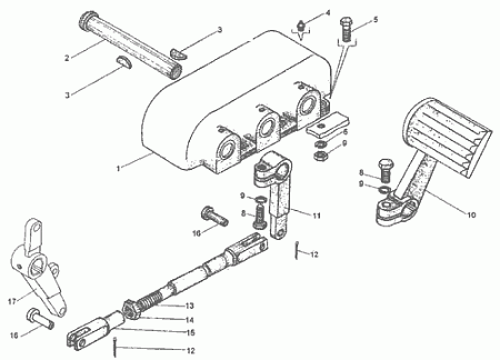
Педаль газа, ограничитель и кронштейн регулятора ДЗ-98
Крепление тяги рукоятки регулятора ДЗ-98
Управление регулятором автогрейдера
Крепление кронштейна и рычага регулятора
Тяги и рычаги регулятора ДЗ-98
Рулевое управление автогрейдером
Поперечная тяга ДЗ-98 в сборе
Гидроклапан предохранительный
Гидроцилиндр усилителя руля автогрейдера